Your privacy is very important for us. When you visit our website, please agree to the use of all cookies. For more information about the processing of personal data, please go to Privacy Policy.
Benchmark cases cover Retail, E-Commerce, Tobacco, Pharma & Healthcare, Electronic Communication, Electric Power, Automobile, Petrochemical, Cold Chain, New Energy, Home Appliances, Home Furnishing etc.
Our independently developed logistics robots streamline every stage of your operations—from production and storage to picking, packaging, and inbound/outbound processes.
Our services deliver tailored, reliable solutions to optimize your operations and ensure high-quality, efficient logistics management.
Founded in 1993, BlueSword is a leading solution provider of modular and automated warehouse logistics systems. We offer reliable and innovative solutions through consulting, software, manufacturing, and integration services.
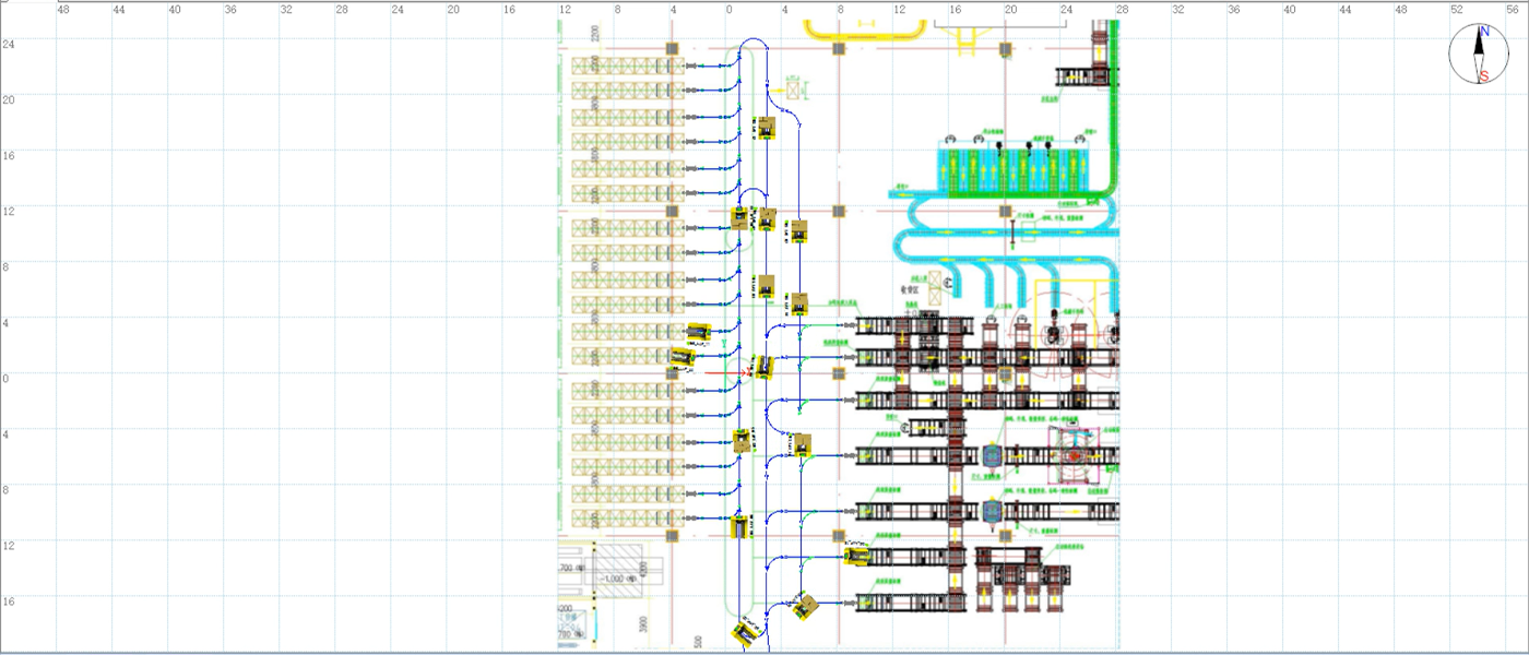
IMHS-AGV Scheduling Software
BlueSword AGV scheduling software mainly includes simulation module, service module, monitoring module and planning module. The monitoring and simulation integration technology makes the simulation and monitoring modules share a set of core algorithms and parameters, resulting in more accurate simulation results; the AGV scheduling technology based on time prediction mechanism can effectively improve the utilization rate of AGV.
01
It realizes the dynamic real environment perception and expression, and solves the time and space conflicts between vehicles.
02
Considering the vehicle profile dimensions, it can more accurately describe the operation environment and reduce the probability of traffic control, to improve the parallel work efficiency of large-scale AGVs.
03
Integrate simulation and monitoring functions, so that the simulation function can fully reference various detailed parameters in the monitoring function, making the simulation results more accurate.
Fill out your information, BlueSword will provide you professional service!